首页
welcome赢乐介绍
新闻中心
welcome赢乐概况
服务理念
售后服务
联系我们
产品中心
jtgk.png

产品中心

D673H三偏心调节蝶阀

您的位置:阀门 - 蝶阀 - D673H三偏心调节蝶阀 更新时间:2026-01-12 02:01:43
D673H三偏心调节蝶阀
    • 质量安全:压力、材质、密封等全方位检测确保质量过关!
    • 价格比较:在相同品质的情况下,厂里直销,更具有优势!
    • 交货快捷:常规产品现货供应,生产加工销售一条龙服务!
      上海凯利科阀门致力于高品质阀门的设计、研发、生产销售服务于一体的大型阀门企业,科技创新,永不止步,与您携手共创辉煌...

    • 产品描述
    • 在线询价
    • 技术咨询
    D673H三偏心调节蝶阀D673H三偏心调节蝶阀

    D673H三偏心调节蝶阀采用一个“U”型不锈钢密封圈,该精密的弹性密封圈与经过抛光的蝶板三维偏心接触。解决了传统偏心蝶阀在启闭0°~10°瞬间密封面仍处于滑动接触摩擦的弊病,实现蝶板在开启瞬间密封面即分离,关闭接触即密封的效果,达到延长使用寿命、密封性能最佳的目的。因此被广泛地应用到介质温度≤550℃的冶金、电力、石油、化工、空气、煤气、可燃气体以及给排水等腐蚀性介质的管道上,是调节流量和截断流体的最佳装置。

    产品名称: 三偏心调节蝶阀 产品型号: D673H
    公称通径: DN50~DN1000 阀座密封: 软密封、硬密封
    公称压力: 1.0Mpa~4.0MPa 连接方式: 对夹、法兰
    适用温度: -20ºC~+150ºC~425ºC 驱动方式: 手动、蜗轮、电动、气动
    阀体材质: 铸钢、不锈钢 制造标准: 国标GB、德国DIN、美国API、ANSI
    适用介质: 水、油、蒸汽、气体、粉体、液体 生产厂家: welcome赢乐

    产品说明

    D673H三偏心调节蝶阀采用一个“U”型不锈钢密封圈,该精密的弹性密封圈与经过抛光的蝶板三维偏心接触。解决了传统偏心蝶阀在启闭0°~10°瞬间密封面仍处于滑动接触摩擦的弊病,实现蝶板在开启瞬间密封面即分离,关闭接触即密封的效果,达到延长使用寿命、密封性能最佳的目的。因此被广泛地应用到介质温度≤550℃的冶金、电力、石油、化工、空气、煤气、可燃气体以及给排水等腐蚀性介质的管道上,是调节流量和截断流体的最佳装置。

    产品特点

    1、该蝶阀结构简单、紧凑、重量轻、易于安装和拆卸、维修方便;
    2、本蝶阀采用不锈钢“U”型密封圈,具有一定的弹性无论在高温、低温的情况下,它与蝶板均具有优良的密封性;
    3、本蝶阀的三维偏心距,经过严格的计算,“U”型密封圈与蝶板几乎无磨擦,使用寿命长,并具有越关越紧的功能;
    4、蝶板密封面采用堆焊钴基硬质合金,密封面耐磨损,使用寿命长;
    5、本蝶阀结构独特,“开关”仅需转动阀杆90°即可完成。操作灵活、方便、省力、不受介质压力的高低影响,密封性能可靠;
    6、耐高温、耐低温、耐腐蚀性。

    采用标准

    设计标准 :GB/T12238-1989
    结构长度:GB/T12221-1989
    压力试验:GB/T13927-1992;JB/T9092-1999

    执行机构

    采用新型系列GT型气动执行器,有双作用式和单作用式(弹簧复位),齿轮传动,安全可靠;大口径阀门采用系列AW型气动执行器拔叉式传动,结构合理,输出扭矩大,有双作用式和单作用式
    1、齿轮式双活塞,输出力矩大,体积小。
    2、气缸选用铝金材料,重量轻、外形美观。
    3、可在顶部、底部安装手动操作机构。
    4、齿条式连接可调节开启角度、额定流量。
    5、执行器可选带电讯号反馈指示及各类附件以实现自动化操作。
    6、IS05211标准连接为产品的安装更换提供了方便。
    7、两端调的节螺钉可使标准产品在0°和90°有±4°的可调范围。确保与阀门的同步精度。

    附件选项

    根据不同控制和要求可选择下列附件:
    切断型附件:单电控电磁阀、双电控电磁阀、限位开关回讯器。
    调节型附件:电气定位器、气动定位器、电气转换器。
    气源处理附件:空气过滤减压阀、气源处理三联件。
    手动机构:JFSD手操机构

    技术参数

    公称通径 DN(mm) 50~1200
    公称压力 PN(MPa) 0.6 1.0 1.6 2.5 4.0
    试验压力 强度试验 0.9 1.5 2.4 3.75 6.0
    密封试验 0.66 1.1 1.76 2.75 4.4
    气密封试验 0.6 0.6 0.6 0.6 0.6
    适用介质 水、蒸气、油品、酸类腐蚀性等。
    适用温度 碳钢 :-29℃~600℃ 不锈钢-40℃~600℃

    主要零件材质

    零件名称 材料
    阀体 铸铁、铸钢、不锈钢、铬钼钢、合金钢
    蝶板 铸钢、合金钢(镀硬铬)、不锈钢、铬钼钢
    密封圈 不锈钢、聚内脂、抗磨材料
    阀杆 2Cr13、1Cr13不锈钢、铬钼钢
    填料 柔性石墨

    三偏心特点及原理

    1、偏离管道中心
    2、偏离密封面中心
    3、倾斜的锥形
    当阀门开启时,蝶板与阀座在关闭时瞬间接触,利用蝶板偏心1、偏心2迅速脱离阀座,降低了密封副的磨损,磨擦力矩小,开启灵活。偏心锥面3,使阀门在开启或关闭时蝶板能通过阀座内孔,实现接触密封。另外,锥形蝶板的旋转半径大于密封副接触位置的旋转半径,故蝶板在阀门关闭时将出现越关越紧,能够实现自锁,防止蝶板过位。

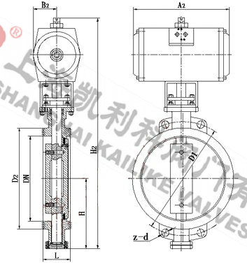
    外形结构图

    主要外形尺寸PN0.6~1.0MPa

    公称通径 结构长度
    标准值
    外形尺寸(参考值) 连接尺寸(标准值) 重量 (kg)
    H H2 A2 B2 PN0.6MPa PN1.0MPa
    毫米 英寸 L D1 Z-d D1 Z-d
    50 2 43 112 625 245 72 110 4-14 125 4-18 11
    65 21/2 46 115 625 245 72 130 4-14 145 4-18 12
    80 3 49 120 645 245 72 150 4-18 160 8-18 14
    100 4 56 138 675 355 92 170 4-18 180 8-18 16
    125 5 64 164 715 355 92 200 8-18 210 8-18 26
    150 6 70 175 800 355 92 225 8-18 240 8-22 28
    200 8 71 208 850 250 170 280 8-18 295 8-22 44
    250 10 76 243 925 250 170 335 12-18 350 12-22 68
    300 12 83 283 1035 450 220 395 12-22 400 12-22 85
    350 14 92 310 1070 450 220 445 12-22 460 16-22 121
    400 16 102 340 1190 450 220 495 16-22 515 16-22 140
    450 18 114 380 1250 650 280 550 16-22 565 20-26 190
    500 20 127 410 1290 650 280 600 20-22 620 20-26 260
    600 24 154 470 1455 850 380 705 20-26 725 20-30 380
    700 28 165 550 1585 850 380 810 24-26 840 24-30 450
    800 32 190 640 1700 1250 380 920 24-30 950 24-33 650
    900 36 203 710 1965 1250 380 1020 24-30 1050 28-33 830
    1000 40 216 770 2015 1250 380 1120 28-30 1160 28-36 1050
    1200 48 254 890 2250 1250 380 1340 32-33 1380 32-39 1400
    用户注意:表中H1、H2、H3尺寸均可根据用户需要加长(长杆蝶阀),若需特殊材料定货

    主要外形尺寸PN1.6~2.5MPa

    公称通径 结构长度 标准值 外形尺寸(参考值) 连接尺寸(标准值) 重量 (kg)
    H H2 A2 B2 PN1.6MPa PN2.5MPa
    毫米 英寸 L D1 Z-d D1 Z-d
    50 2 43 112 625 245 72 125 4-14 125 4-18 11
    65 21/2 46 115 625 245 72 145 4-14 145 8-18 12
    80 3 49 120 645 245 72 160 8-18 160 8-18 15
    100 4 56 138 675 355 92 180 8-18 190 8-22 17
    125 5 64 164 715 355 92 210 8-18 220 8-26 27
    150 6 70 175 800 355 92 240 8-22 250 8-26 29
    200 8 71 208 850 250 170 295 12-22 310 12-26 45
    250 10 76 243 925 250 170 355 12-26 370 12-30 69
    300 12 83 283 1035 450 220 410 12-26 430 16-30 86
    350 14 92 310 1070 450 220 470 16-26 490 16-33 122
    400 16 102 340 1190 450 220 525 16-30 550 16-36 141
    450 18 114 380 1250 650 280 585 20-30 600 20-36 191
    500 20 127 410 1290 650 280 650 20-33 660 20-36 260
    600 24 154 470 1455 850 380 770 20-36 770 20-39 380
    700 28 165 550 1585 850 380 840 24-36 875 24-42 450
    800 32 190 640 1700 1250 380 950 24-39 990 24-48 650
    900 36 203 710 1865 1250 380 1050 28-39 1090 28-48 830
    1000 40 216 770 2015 1250 380 1170 28-42 1210 28-56 1050
    1200 48 254 890 2250 1250 380 1390 32-48 1420 32-56 1400
    用户注意:表中H1、H2、H3尺寸均可根据用户需要加长(长杆蝶阀),若需特殊材料定货

    主要外形尺寸PN4.0MPa

    公称通径 结构长度 标准值 外形尺寸(参考值) 连接尺寸 标准值
    H H2 A2 B2 PN40MPa
    毫米 英寸 L D1 Z-d
    50 2 43 112 625 250 170 125 4-14
    65 21/2 46 115 625 250 170 145 8-18
    80 3 49 120 645 250 170 160 8-18
    100 4 56 138 675 250 170 190 8-22
    125 5 64 164 715 450 220 220 8-26
    150 6 70 175 800 450 220 250 8-26
    200 8 71 208 850 450 220 320 12-30
    250 10 76 243 925 450 280 385 12-33
    300 12 83 283 1035 650 280 450 16-33
    350 14 92 310 1070 650 280 510 16-36
    400 16 102 340 1190 650 280 585 16-39
    450 18 114 380       610 20-39
    500 20 127 410       670 20-42
    注:法兰标准:GB/T9113.1-2000 GB/T9113.2-2000 GB/T911.5.1-2000 GB/T9115.2-2000
    用户注意:表中H1、H2、H3尺寸均可根据用户需要加长(长杆蝶阀),若需特殊材料定货时提出。

    声明:【D673H三偏心调节蝶阀】规格型号、结构尺寸由welcome赢乐提供,如何选择适用的D673H三偏心调节蝶阀产品,使之在工艺控制中安全可靠、经济适用,可致电我司销售部门及技术部门,我们将在最短的时间内为您解答!

    

    Copyright ©2011-2023 welcome赢乐,版权所有。 沪ICP备11046016号-29 网站地图

    销售电话:021-31001158

    手机号码:13816746668 陈国辉/经理

    电子邮件:klkvalves@126.com@126.com

    主营产品:球阀,闸阀,蝶阀,截止阀,止回阀,调节阀

    本周热门:不锈钢阻火器全天候呼吸阀气动球阀气动蝶阀气动刀闸阀气动调节阀电动球阀电动蝶阀电动刀闸阀电动调节阀不锈钢球阀不锈钢闸阀不锈钢截止阀不锈钢止回阀不锈钢电磁阀高压电磁阀高压球阀波纹管截止阀

    官方网址:www.fm058.com